返回
分享

陳治諺

0.0
(0) 0次僱用
通過身分認證
新北市三重區

專家介紹

1.3D轉2D工程圖,需提供尺寸、公差等需求
2.繪製3D模型,須提供2D圖面
3.有Solidwork CSWP證照、有電腦輔助立體製圖丙級
4.目前3D軟體Inventor較為熟悉

照片/影片(4)

陳治諺 - 3D模型(一)
陳治諺 - 3D模型(二)
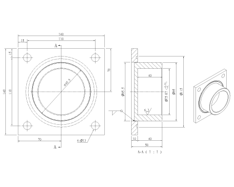
陳治諺 - 利用3D模型轉成2D工程圖(一)
陳治諺 - 利用3D模型轉成2D工程圖(二)

專業證照

服務項目

平面設計 3D建模 2D製圖

服務時段

星期一
休息
星期二
休息
星期三
休息
星期四
休息
星期五
20:00 - 23:00
星期六
09:00 - 21:00
星期日
09:00 - 21:00

相關評價

0.0
0 評價

常見問題

1.自我介紹
2.專業背景
3.服務方式
4.收費方式
5.專業建議