返回
分享

Tommy

0.0
(0) 0次僱用
通過身分認證
提供安心支付
桃園市中壢區

專家介紹

近十年設計工作經驗,目前任職機構設計,使用軟體為Solidworks、DraftSight、AutoCAD,及Office等。可行3D圖面繪製、2D圖面規劃、工程圖拆圖、既有圖面修改,及設計評估等作業,歡迎討論比較~

照片/影片(4)

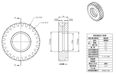
Tommy - 工程圖拆圖
Tommy - Simulation分析
Tommy - 動力計算
Tommy - 2D圖面修改

服務項目

影片剪輯 3D建模 產品設計 機構設計 2D製圖 婚禮影片 求婚影片

服務時段

星期一
18:30 - 22:00
星期二
18:30 - 22:00
星期三
18:30 - 22:00
星期四
18:30 - 22:00
星期五
18:30 - 23:00
星期六
09:00 - 21:00
星期日
09:00 - 22:00

相關評價

0.0
0 評價