返回
分享

吳光福

0.0
(0) 0次僱用
通過身分認證
新北市新莊區

專家介紹

盤內規劃與電路圖繪製
2傳統控制配電
3.自動控制配電
4.程式撰寫
PLC(台達,三菱)
西門子 S7-1200
SERVO(台達,三菱)
HMI(台達,Proface,研華)
AD/DA 應用
SCADA

證照方面:
乙級室內配線
乙級工業配線
乙級機電整合

照片/影片(3)

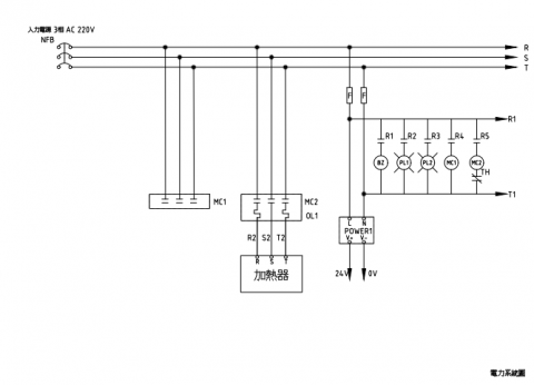
吳光福 - 單純電力
吳光福 - 單純PLC電路
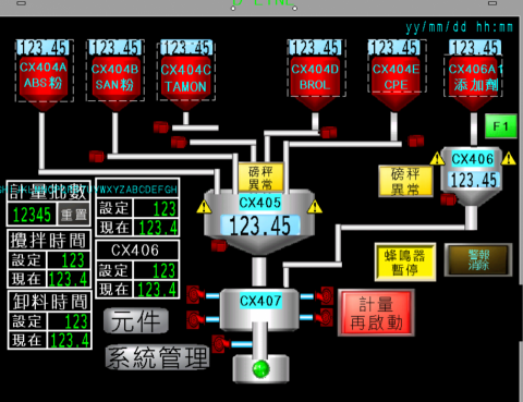
吳光福 - PROFACE 人機編輯畫面

服務項目

弱電工程 軟體開發 產品設計 2D製圖 PLC設計 智慧家庭控制系統規劃

相關評價

0.0
0 評價

常見問題

1.自我介紹
2.專業背景
3.服務方式
4.收費方式
5.來往客戶
6.專業建議