返回
分享

CY Wei 魏 - 2D製圖

0.0
(0) 0次僱用
通過身分認證
提供安心支付
桃園市蘆竹區

2D製圖服務說明

現在人員流動率高,公司不斷的再培養人材,現在的人更重視家庭不愛加班,請了人又不見得一直有工作,有臨時的需求要如何解決? 5年以上的機械設計經驗、2年工具機產業經驗的CY 可以協助您解決暫時的人力需求,並可長期配合,提供給您最精準訊速的服務。
1.此服務以線上作業,長期配合可至客戶處交流。
2.機械加工圖: 公差設定、軸孔配合設定、表面處理、材質。
3.客戶提供: 零件3D檔、組立圖 或 3D組立檔 或 組立描述、客戶圖框。
4.第一次合作為給您最好的服務,將不預收訂金,線上驗收再付款,之後交付PDF與原始檔。

照片/影片(4)

CY Wei  魏 - 協助客戶裝潢施工圖
CY Wei  魏 - 使用一個氣壓缸完上下料設計
CY Wei  魏 - CNC 開發
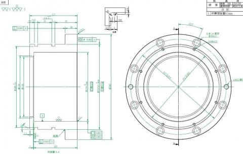
CY Wei  魏 - 機械加工圖

專家介紹

你是一個有很好的點子的人嗎? 己經都規劃好產品了,但卻不知如何呈現,產品裡有複雜的機構,需要專業的圖面呈現? 即使都設計好了,但還需要打樣找供應商。 事情很多很雜,需要專家來幫忙。那麼有產品豐富開發經驗的工程師是你的合作好伙伴。我曾經任職於百年工具機日商的產品開發部門、以及百大美商製造公司、現有一個產品設計的團隊。給你最適合的資源、打造你心目中的產品。

-產品設計: 外觀設計、結構設計、模型打樣
-機械設計: 組立圖、加工圖、生產治工具
-2D製圖: 機械加工圖

服務項目

服務方式 到府服務、線上服務
服務類型 3D圖轉2D圖、機械繪圖、其他

2D製圖相關評價

0.0
0 評價

常見問題

1.專業背景
2.服務方式
3.收費方式
2D製圖
洽談後報價