返回
分享

阿偉 - PCB Layout

0.0
(0) 0次僱用
通過身分認證
台南市安南區

照片/影片(5)

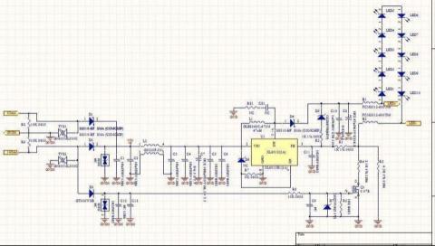
阿偉 - 此版為自己設計線路及layout,無法提供上班的相關作品
阿偉 - pcb洗板
阿偉 -
阿偉 - 行動電源5v升壓12v
阿偉 - 線路設計

專家介紹

四年以上PCB layout 經驗,switching power layout、LED 控制、PFC、風扇控制、充電器,專題pcb layout、學校作業 layout。等各種控制板LAYOUT。逆向PCB板(有BOM表規格書)、小型線路設計,歡迎詢問~
可附PCB原始檔(限Altium Designer)

服務項目

服務方式 線上服務
服務類型 PCB設計、PCB Layout、其他

PCB Layout相關評價

0.0
0 評價
PCB Layout
洽談後報價