請問您需要的鋼構工程為?
其他, 鋼構工程
需要施工的坪數約為?
50-75坪
[選填] 簡單說明您的需求,幫助您找到適合的專家
需要Ut
工作天數
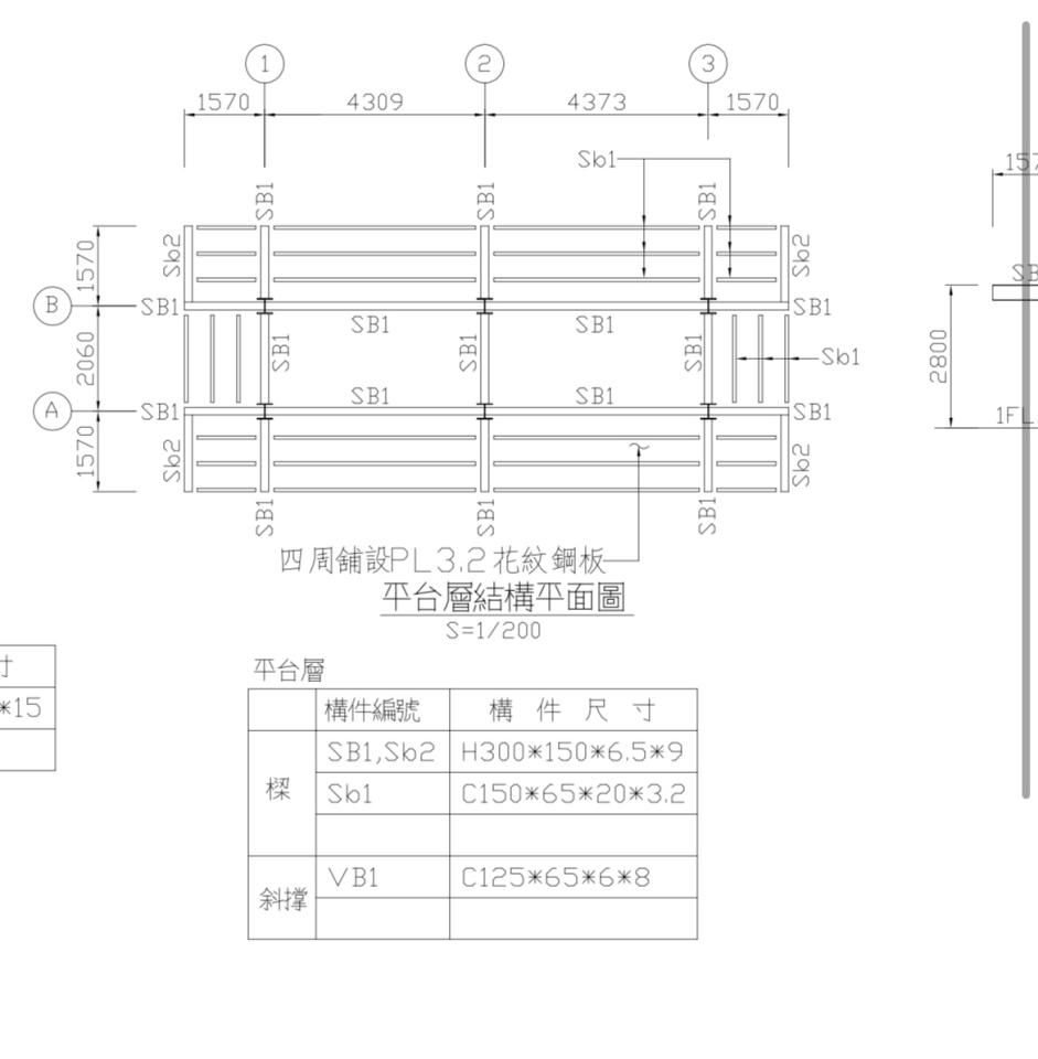
給你圖 請報價給我
您可以上傳空間照片、平面圖等,讓專家更了解情況




還有什麼需要注意的地方嗎?
沒有
您需要服務的地區為何?
屏東縣,內埔鄉