
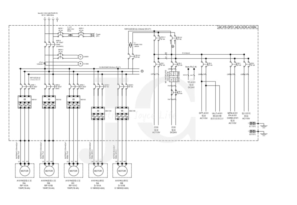
精密電路圖示清晰呈現電力系統架構
檢舉
精密電路圖示清晰呈現電力系統架構
cinciao
西屯區
✅ 國立勤益科技大學景觀系畢業 ✅工作經驗 ✔房地產行銷建物外觀製圖 ✔ 機械公司繪圖人員 ✔ 貿易公司文宣、繪圖、展場設計 ✅目前專職電商行銷,時間彈性可配合 ✅服務項目 ✔CAD 2D製圖 ✔名片設計 ✔海報文宣設計 ✔ 電商商品圖製作 ➡免費三次修改 ➡提供CAD或AI原檔及出圖PDF ➡️可開發票
立即邀請專家來完成
立即邀請專家來完成

西屯區
✅ 國立勤益科技大學景觀系畢業 ✅工作經驗 ✔房地產行銷建物外觀製圖 ✔ 機械公司繪圖人員 ✔ 貿易公司文宣、繪圖、展場設計 ✅目前專職電商行銷,時間彈性可配合 ✅服務項目 ✔CAD 2D製圖 ✔名片設計 ✔海報文宣設計 ✔ 電商商品圖製作 ➡免費三次修改 ➡提供CAD或AI原檔及出圖PDF ➡️可開發票
立即邀請專家來完成
立即邀請專家來完成