
1/1
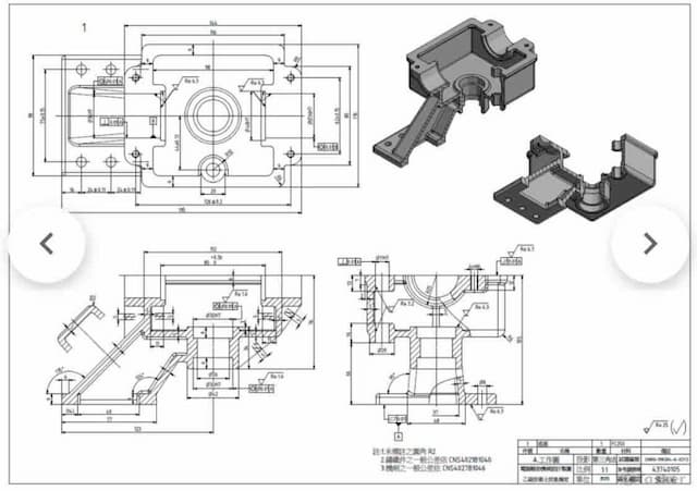
使用CAD及Sol id******** 可抄圖、拆圖等其他,價錢可議
尚無評價
不限
$ 200
商品資訊
專家資訊
評價
付款方式與其他
線上服務
透過網路或電話提供服務
有電腦輔助設計機械製圖乙級及丙級證照,抄圖、拆圖等等皆可服務,價錢便宜,可議,謝謝您
專家資訊

Betty
尚無評價
身分認證
安心支付
目前有乙級機械製圖和丙級機械製圖證照
熟悉Auto Cad 和 Solidwork
亦有機械模具製圖之工作經驗
希望可以有機會為你們服務
評價
0.0
尚無評價

Betty
可與專家聯絡服務細項